プライバシーを重視します!
私たちのウェブサイトを最善の方法で動作させるために、cookiesを使用したいと思っています。一部のcookiesは、Webサイトの実行に必要なものであり、ユーザー体験を改善し、任意でいつでも取り消すことができる同意が必要なものもあります。収集されたデータはすべて匿名です。詳細については、プライバシーポリシーを参照してください。
FD50.20シリーズ耐酸塩基型浮球液位計は、化学工業、製油、貯蔵輸送、水処理などの業界に広く応用できる。
型番例: FD 50.20-1114.1500.1010.*
酸塩基強腐食性液体測定に適応するガイドロッドとフローティングボール防腐プロセス
輸入プラスチックシールドライスプリングチューブを採用し、寿命が長い
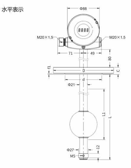
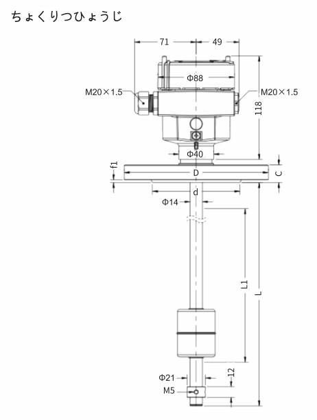
ハイライトLED表示ヘッドは、水平、直立構造設計に配置可能
さまざまな用途で見やすい
隔爆と本安防爆認証オプション
独特の密封設計で、全体の防護レベルはIP66/IP67に達することができる
標準アルミケース、配線が簡単で、応用が広範である
外形寸法


配線図
